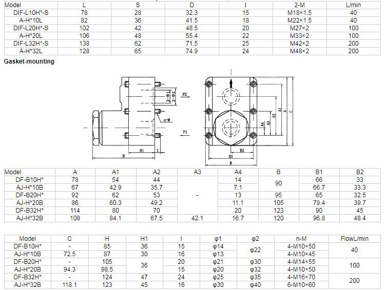
Straightway check valve

.jpg)
.jpg)
Welcome to the official website of Jianhu Tianwei Hydraulic Piece Making Co.,Ltd.!
Jianhu Tianwei Hydraulic Piece Making Co., Ltd.
-- Committed to the design and production of various hydraulic valves, cylinders and hydraulic stations
+86-515-86276488,86270862
PRODUCTS
PRODUCTS
15093228887.com
Jianhu Tianwei Hydraulic Piece Making Co., Ltd.
Add: Jinhu Development Zone, Jianhu County, Yancheng City, Jiangsu, China
General Manager: Xu Bujiang Mobile: +86-13601429513
Tel: +86-515-86276488
Fax: +86-515-86275299
E-mail: xbj@twyeya.com , twyy@twyeya.com
URL: 15093228887.com
Opening Bank: Jianhu CCB
Tax Number: 320925755870602
Copyright(C)203, Jianhu Tianwei Hydraulic Piece Making Co., Ltd. All Rights Reserved. Supported by Sunsirs Toocle Copyright Notice 備案字號(hào):蘇ICP備14015780號(hào)